海绵城市

近些年来,逢雨必涝逐渐成为很多城市的痼疾。然而,要想不在“城中看海”,却不仅仅是进行管道扩容这么简单。
“目前许多城市都采用快排模式,雨水落到硬化地面只能从管道里集中快排,强降雨一来就感觉修多大的管道都不够用,而且这种模式让城市里70%的雨水白白流失了。”南宁市城乡建委有关负责人说。
“建设海绵城市,首先要扭转观念。”专家称:“如果将大部分雨水留下而不是排走,可以最大限度地实现雨水在城市区域的积存、渗透和净化,促进雨水资源的利用和生态环境保护。也就是说,‘海绵城市’有望将原来大量排至管渠末端的水提前通过吸收、存蓄、渗透等环节消化掉,成为破解‘逢雨必涝’的有效途径,而不是靠修大的排水管。”
雨水怎么留?《图集》编制方称,在海绵城市建设过程中,形成大量的“海绵体”,如河、湖、池塘等水系,及绿地、花园、可渗透路面等城市配套设施。雨水通过这些“海绵体”下渗、滞蓄、净化、回用,最后剩余部分通过管网、泵站外排,从而有效提高城市排水系统标准,缓减城市内涝压力。具体而言,就是在城市建筑与小区、道路、绿地等场地源头,通过大规模推行雨水花园、下沉式绿地、植草沟、透水铺装等生态设施,对雨水进行下渗、调蓄。
过去,城市建设追求用地一马平川,往往会填湖平壑。根据《图集》,今后南宁将最大限度地保护原有的河湖、湿地、坑塘、沟渠等“海绵体”不受开发活动影响;受到破坏的“海绵体”也将通过综合运用物理、生物和生态等手段逐步修复,并维持一定比例的生态空间。有条件的地方,还将新建一定规模的“海绵体”,如以城市建筑、小区、道路、绿地与广场等建设为载体,让城市屋顶“绿”起来,“绿色”屋顶在滞留雨水的同时还起到节能减排、缓解热岛效应的功效;道路、广场可以采用透水铺装,特别是城市中的绿地应充分“沉下去”。
试点海绵城市建设是否意味着会增加城市建设投资?
专家认为,海绵城市建设注重对天然河道、湖泊、湿地、坑塘、沟渠的保护和利用,大大减少建设排水管道和钢筋混凝土水池的工程量。同时,调蓄设施又往往与城市既有的绿地、园林、景观水体相结合,‘净增成本’比较低,还能大幅减少水环境污染治理费用,降低城市内涝造成的巨额损失。从长远看,非但不会增加城市建设投资,反而会节省成本。
渗水井大样图
盲管/渠示意图
下沉式绿地大样图
生物滞留设施大样图
雨水口大样图
渗透塘示意图
湿塘示意图
雨水湿地示意图
调节塘示意图
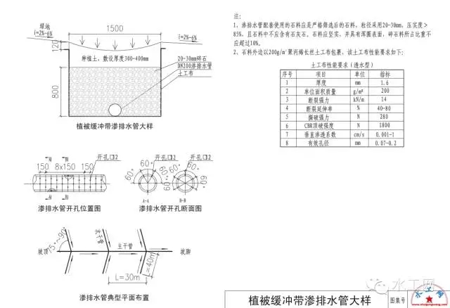
植草沟详图
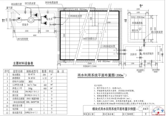
雨水利用设置图












